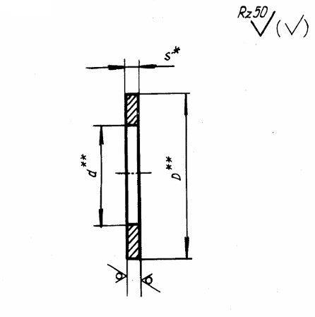
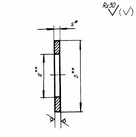
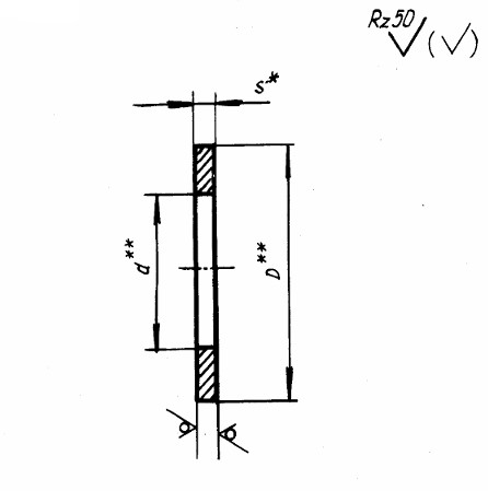
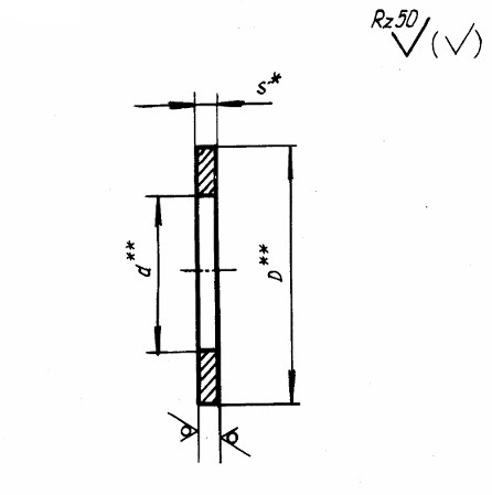
ОСТ 1 14460-87 шайбы регулировочные
Настоящий стандарт распространяется на шайбы регулировочные, предназначенные для применения в соединениях сборочных единиц.
КОНСТРУКЦИЯ И ТЕХНИЧЕСКИЕ ОСОБЕННОСТИ
Конструкция шайбы состоит из плоского кольца.
Материал изготовления: лента 10 М ГОСТ 503-81 для шайб с S>0.05мм, допускается изготавливать шайбы из ленты 10-ВН ГОСТ 503-81, кроме шайб с размером S=0.05мм.
Материал покрытия: Хим.окс, Кд6.хр.
Пример наименования и обозначения регулировочной шайбы типоразмера 8 из ленты 10-М оксидированной:
Шайба 8-1-ОСТ 1 14460-87
То же, кадмированной:
Шайба 8-2-ОСТ 1 14460-87
ПРИМЕНЕНИЕ
Данные шайбы используются во многих отраслях промышленности.
АНАЛОГИ
| ОСТ/ГОСТ | Нормаль | Наименование | Типоразмер | На складе |
| ОСТ 1 14460-87 | Шайба | 1 | В наличии | |
| ОСТ 1 14460-87 | Шайба | 2 | В наличии | |
| ОСТ 1 14460-87 | Шайба | 3 | В наличии | |
| ОСТ 1 14460-87 | Шайба | 4 | В наличии | |
| ОСТ 1 14460-87 | Шайба | 5 | В наличии | |
| ОСТ 1 14460-87 | Шайба | 6 | В наличии | |
| ОСТ 1 14460-87 | Шайба | 7 | В наличии | |
| ОСТ 1 14460-87 | Шайба | 8 | В наличии | |
| ОСТ 1 14460-87 | Шайба | 9 | В наличии | |
| ОСТ 1 14460-87 | Шайба | 10 | В наличии | |
| ОСТ 1 14460-87 | Шайба | 11 | В наличии | |
| ОСТ 1 14460-87 | Шайба | 12 | В наличии | |
| ОСТ 1 14460-87 | Шайба | 13 | В наличии | |
| ОСТ 1 14460-87 | Шайба | 14 | В наличии | |
| ОСТ 1 14460-87 | Шайба | 15 | В наличии | |
| ОСТ 1 14460-87 | Шайба | 16 | В наличии | |
| ОСТ 1 14460-87 | Шайба | 17 | В наличии | |
| ОСТ 1 14460-87 | Шайба | 18 | В наличии | |
| ОСТ 1 14460-87 | Шайба | 19 | В наличии | |
| ОСТ 1 14460-87 | Шайба | 20 | В наличии | |
| ОСТ 1 14460-87 | Шайба | 21 | В наличии | |
| ОСТ 1 14460-87 | Шайба | 22 | В наличии | |
| ОСТ 1 14460-87 | Шайба | 23 | В наличии | |
| ОСТ 1 14460-87 | Шайба | 24 | В наличии | |
| ОСТ 1 14460-87 | Шайба | 25 | В наличии | |
| ОСТ 1 14460-87 | Шайба | 26 | В наличии | |
| ОСТ 1 14460-87 | Шайба | 27 | В наличии | |
| ОСТ 1 14460-87 | Шайба | 28 | В наличии | |
| ОСТ 1 14460-87 | Шайба | 29 | В наличии | |
| ОСТ 1 14460-87 | Шайба | 30 | В наличии | |
| ОСТ 1 14460-87 | Шайба | 31 | В наличии | |
| ОСТ 1 14460-87 | Шайба | 32 | В наличии | |
| ОСТ 1 14460-87 | Шайба | 33 | В наличии | |
| ОСТ 1 14460-87 | Шайба | 34 | В наличии | |
| ОСТ 1 14460-87 | Шайба | 35 | В наличии | |
| ОСТ 1 14460-87 | Шайба | 36 | В наличии | |
| ОСТ 1 14460-87 | Шайба | 37 | В наличии | |
| ОСТ 1 14460-87 | Шайба | 38 | В наличии | |
| ОСТ 1 14460-87 | Шайба | 39 | В наличии | |
| ОСТ 1 14460-87 | Шайба | 40 | В наличии | |
| ОСТ 1 14460-87 | Шайба | 41 | В наличии | |
| ОСТ 1 14460-87 | Шайба | 42 | В наличии | |
| ОСТ 1 14460-87 | Шайба | 43 | В наличии | |
| ОСТ 1 14460-87 | Шайба | 44 | В наличии | |
| ОСТ 1 14460-87 | Шайба | 45 | В наличии | |
| ОСТ 1 14460-87 | Шайба | 46 | В наличии | |
| ОСТ 1 14460-87 | Шайба | 47 | В наличии | |
| ОСТ 1 14460-87 | Шайба | 48 | В наличии | |
| ОСТ 1 14460-87 | Шайба | 49 | В наличии | |
| ОСТ 1 14460-87 | Шайба | 50 | В наличии | |
| ОСТ 1 14460-87 | Шайба | 51 | В наличии | |
| ОСТ 1 14460-87 | Шайба | 52 | В наличии | |
| ОСТ 1 14460-87 | Шайба | 53 | В наличии | |
| ОСТ 1 14460-87 | Шайба | 54 | В наличии | |
| ОСТ 1 14460-87 | Шайба | 55 | В наличии | |
| ОСТ 1 14460-87 | Шайба | 56 | В наличии | |
| ОСТ 1 14460-87 | Шайба | 57 | В наличии | |
| ОСТ 1 14460-87 | Шайба | 58 | В наличии | |
| ОСТ 1 14460-87 | Шайба | 59 | В наличии | |
| ОСТ 1 14460-87 | Шайба | 60 | В наличии | |
| ОСТ 1 14460-87 | Шайба | 61 | В наличии | |
| ОСТ 1 14460-87 | Шайба | 62 | В наличии | |
| ОСТ 1 14460-87 | Шайба | 63 | В наличии | |
| ОСТ 1 14460-87 | Шайба | 64 | В наличии | |
| ОСТ 1 14460-87 | Шайба | 65 | В наличии | |
| ОСТ 1 14460-87 | Шайба | 66 | В наличии | |
| ОСТ 1 14460-87 | Шайба | 67 | В наличии | |
| ОСТ 1 14460-87 | Шайба | 68 | В наличии | |
| ОСТ 1 14460-87 | Шайба | 69 | В наличии | |
| ОСТ 1 14460-87 | Шайба | 70 | В наличии | |
| ОСТ 1 14460-87 | Шайба | 71 | В наличии | |
| ОСТ 1 14460-87 | Шайба | 72 | В наличии | |
| ОСТ 1 14460-87 | Шайба | 73 | В наличии | |
| ОСТ 1 14460-87 | Шайба | 74 | В наличии | |
| ОСТ 1 14460-87 | Шайба | 75 | В наличии | |
| ОСТ 1 14460-87 | Шайба | 76 | В наличии | |
| ОСТ 1 14460-87 | Шайба | 77 | В наличии | |
| ОСТ 1 14460-87 | Шайба | 78 | В наличии | |
| ОСТ 1 14460-87 | Шайба | 79 | В наличии | |
| ОСТ 1 14460-87 | Шайба | 80 | В наличии | |
| ОСТ 1 14460-87 | Шайба | 81 | В наличии | |
| ОСТ 1 14460-87 | Шайба | 82 | В наличии | |
| ОСТ 1 14460-87 | Шайба | 83 | В наличии | |
| ОСТ 1 14460-87 | Шайба | 84 | В наличии | |
| ОСТ 1 14460-87 | Шайба | 85 | В наличии | |
| ОСТ 1 14460-87 | Шайба | 86 | В наличии | |
| ОСТ 1 14460-87 | Шайба | 87 | В наличии | |
| ОСТ 1 14460-87 | Шайба | 88 | В наличии | |
| ОСТ 1 14460-87 | Шайба | 89 | В наличии | |
| ОСТ 1 14460-87 | Шайба | 90 | В наличии | |
| ОСТ 1 14460-87 | Шайба | 91 | В наличии | |
| ОСТ 1 14460-87 | Шайба | 92 | В наличии | |
| ОСТ 1 14460-87 | Шайба | 93 | В наличии | |
| ОСТ 1 14460-87 | Шайба | 94 | В наличии | |
| ОСТ 1 14460-87 | Шайба | 95 | В наличии | |
| ОСТ 1 14460-87 | Шайба | 96 | В наличии | |
| ОСТ 1 14460-87 | Шайба | 97 | В наличии | |
| ОСТ 1 14460-87 | Шайба | 98 | В наличии | |
| ОСТ 1 14460-87 | Шайба | 99 | В наличии | |
| ОСТ 1 14460-87 | Шайба | 100 | В наличии | |
| ОСТ 1 14460-87 | Шайба | 101 | В наличии | |
| ОСТ 1 14460-87 | Шайба | 102 | В наличии | |
| ОСТ 1 14460-87 | Шайба | 103 | В наличии | |
| ОСТ 1 14460-87 | Шайба | 104 | В наличии | |
| ОСТ 1 14460-87 | Шайба | 105 | В наличии | |
| ОСТ 1 14460-87 | Шайба | 106 | В наличии | |
| ОСТ 1 14460-87 | Шайба | 107 | В наличии | |
| ОСТ 1 14460-87 | Шайба | 108 | В наличии | |
| ОСТ 1 14460-87 | Шайба | 109 | В наличии | |
| ОСТ 1 14460-87 | Шайба | 110 | В наличии | |
| ОСТ 1 14460-87 | Шайба | 111 | В наличии | |
| ОСТ 1 14460-87 | Шайба | 112 | В наличии | |
| ОСТ 1 14460-87 | Шайба | 113 | В наличии | |
| ОСТ 1 14460-87 | Шайба | 114 | В наличии | |
| ОСТ 1 14460-87 | Шайба | 115 | В наличии | |
| ОСТ 1 14460-87 | Шайба | 116 | В наличии | |
| ОСТ 1 14460-87 | Шайба | 117 | В наличии | |
| ОСТ 1 14460-87 | Шайба | 118 | В наличии | |
| ОСТ 1 14460-87 | Шайба | 119 | В наличии | |
| ОСТ 1 14460-87 | Шайба | 120 | В наличии | |
| ОСТ 1 14460-87 | Шайба | 121 | В наличии | |
| ОСТ 1 14460-87 | Шайба | 122 | В наличии | |
| ОСТ 1 14460-87 | Шайба | 123 | В наличии | |
| ОСТ 1 14460-87 | Шайба | 124 | В наличии | |
| ОСТ 1 14460-87 | Шайба | 125 | В наличии | |
| ОСТ 1 14460-87 | Шайба | 126 | В наличии | |
| ОСТ 1 14460-87 | Шайба | 127 | В наличии | |
| ОСТ 1 14460-87 | Шайба | 128 | В наличии | |
| ОСТ 1 14460-87 | Шайба | 129 | В наличии | |
| ОСТ 1 14460-87 | Шайба | 130 | В наличии | |
| ОСТ 1 14460-87 | Шайба | 131 | В наличии | |
| ОСТ 1 14460-87 | Шайба | 132 | В наличии | |
| ОСТ 1 14460-87 | Шайба | 133 | В наличии | |
| ОСТ 1 14460-87 | Шайба | 134 | В наличии | |
| ОСТ 1 14460-87 | Шайба | 135 | В наличии | |
| ОСТ 1 14460-87 | Шайба | 136 | В наличии | |
| ОСТ 1 14460-87 | Шайба | 137 | В наличии | |
| ОСТ 1 14460-87 | Шайба | 138 | В наличии | |
| ОСТ 1 14460-87 | Шайба | 139 | В наличии | |
| ОСТ 1 14460-87 | Шайба | 140 | В наличии | |
| ОСТ 1 14460-87 | Шайба | 141 | В наличии | |
| ОСТ 1 14460-87 | Шайба | 142 | В наличии | |
| ОСТ 1 14460-87 | Шайба | 143 | В наличии | |
| ОСТ 1 14460-87 | Шайба | 144 | В наличии | |
| ОСТ 1 14460-87 | Шайба | 145 | В наличии | |
| ОСТ 1 14460-87 | Шайба | 146 | В наличии | |
| ОСТ 1 14460-87 | Шайба | 147 | В наличии | |
| ОСТ 1 14460-87 | Шайба | 148 | В наличии | |
| ОСТ 1 14460-87 | Шайба | 149 | В наличии | |
| ОСТ 1 14460-87 | Шайба | 150 | В наличии | |
| ОСТ 1 14460-87 | Шайба | 151 | В наличии | |
| ОСТ 1 14460-87 | Шайба | 152 | В наличии | |
| ОСТ 1 14460-87 | Шайба | 153 | В наличии | |
| ОСТ 1 14460-87 | Шайба | 154 | В наличии | |
| ОСТ 1 14460-87 | Шайба | 155 | В наличии | |
| ОСТ 1 14460-87 | Шайба | 156 | В наличии | |
| ОСТ 1 14460-87 | Шайба | 157 | В наличии | |
| ОСТ 1 14460-87 | Шайба | 158 | В наличии | |
| ОСТ 1 14460-87 | Шайба | 159 | В наличии | |
| ОСТ 1 14460-87 | Шайба | 160 | В наличии | |
| ОСТ 1 14460-87 | Шайба | 161 | В наличии | |
| ОСТ 1 14460-87 | Шайба | 162 | В наличии | |
| ОСТ 1 14460-87 | Шайба | 163 | В наличии | |
| ОСТ 1 14460-87 | Шайба | 164 | В наличии | |
| ОСТ 1 14460-87 | Шайба | 165 | В наличии | |
| ОСТ 1 14460-87 | Шайба | 166 | В наличии | |
| ОСТ 1 14460-87 | Шайба | 167 | В наличии | |
| ОСТ 1 14460-87 | Шайба | 168 | В наличии | |
| ОСТ 1 14460-87 | Шайба | 169 | В наличии | |
| ОСТ 1 14460-87 | Шайба | 170 | В наличии | |
| ОСТ 1 14460-87 | Шайба | 171 | В наличии | |
| ОСТ 1 14460-87 | Шайба | 172 | В наличии | |
| ОСТ 1 14460-87 | Шайба | 173 | В наличии | |
| ОСТ 1 14460-87 | Шайба | 174 | В наличии | |
| ОСТ 1 14460-87 | Шайба | 175 | В наличии | |
| ОСТ 1 14460-87 | Шайба | 176 | В наличии | |
| ОСТ 1 14460-87 | Шайба | 177 | В наличии | |
| ОСТ 1 14460-87 | Шайба | 178 | В наличии | |
| ОСТ 1 14460-87 | Шайба | 179 | В наличии | |
| ОСТ 1 14460-87 | Шайба | 180 | В наличии | |
| ОСТ 1 14460-87 | Шайба | 181 | В наличии | |
| ОСТ 1 14460-87 | Шайба | 182 | В наличии | |
| ОСТ 1 14460-87 | Шайба | 183 | В наличии | |
| ОСТ 1 14460-87 | Шайба | 184 | В наличии | |
| ОСТ 1 14460-87 | Шайба | 185 | В наличии | |
| ОСТ 1 14460-87 | Шайба | 186 | В наличии | |
| ОСТ 1 14460-87 | Шайба | 187 | В наличии | |
| ОСТ 1 14460-87 | Шайба | 188 | В наличии | |
| ОСТ 1 14460-87 | Шайба | 189 | В наличии | |
| ОСТ 1 14460-87 | Шайба | 190 | В наличии | |
| ОСТ 1 14460-87 | Шайба | 191 | В наличии | |
| ОСТ 1 14460-87 | Шайба | 192 | В наличии | |
| ОСТ 1 14460-87 | Шайба | 193 | В наличии | |
| ОСТ 1 14460-87 | Шайба | 194 | В наличии | |
| ОСТ 1 14460-87 | Шайба | 195 | В наличии | |
| ОСТ 1 14460-87 | Шайба | 196 | В наличии | |
| ОСТ 1 14460-87 | Шайба | 197 | В наличии | |
| ОСТ 1 14460-87 | Шайба | 198 | В наличии | |
| ОСТ 1 14460-87 | Шайба | 199 | В наличии | |
| ОСТ 1 14460-87 | Шайба | 200 | В наличии | |
| ОСТ 1 14460-87 | Шайба | 201 | В наличии | |
| ОСТ 1 14460-87 | Шайба | 202 | В наличии | |
| ОСТ 1 14460-87 | Шайба | 203 | В наличии | |
| ОСТ 1 14460-87 | Шайба | 204 | В наличии | |
| ОСТ 1 14460-87 | Шайба | 205 | В наличии | |
| ОСТ 1 14460-87 | Шайба | 206 | В наличии | |
| ОСТ 1 14460-87 | Шайба | 207 | В наличии | |
| ОСТ 1 14460-87 | Шайба | 208 | В наличии | |
| ОСТ 1 14460-87 | Шайба | 209 | В наличии | |
| ОСТ 1 14460-87 | Шайба | 210 | В наличии | |
| ОСТ 1 14460-87 | Шайба | 211 | В наличии | |
| ОСТ 1 14460-87 | Шайба | 212 | В наличии | |
| ОСТ 1 14460-87 | Шайба | 213 | В наличии | |
| ОСТ 1 14460-87 | Шайба | 214 | В наличии | |
| ОСТ 1 14460-87 | Шайба | 215 | В наличии | |
| ОСТ 1 14460-87 | Шайба | 216 | В наличии | |
| ОСТ 1 14460-87 | Шайба | 217 | В наличии | |
| ОСТ 1 14460-87 | Шайба | 218 | В наличии | |
| ОСТ 1 14460-87 | Шайба | 219 | В наличии | |
| ОСТ 1 14460-87 | Шайба | 220 | В наличии | |
| ОСТ 1 14460-87 | Шайба | 221 | В наличии | |
| ОСТ 1 14460-87 | Шайба | 222 | В наличии | |
| ОСТ 1 14460-87 | Шайба | 223 | В наличии | |
| ОСТ 1 14460-87 | Шайба | 224 | В наличии | |
| ОСТ 1 14460-87 | Шайба | 225 | В наличии | |
| ОСТ 1 14460-87 | Шайба | 226 | В наличии | |
| ОСТ 1 14460-87 | Шайба | 227 | В наличии | |
| ОСТ 1 14460-87 | Шайба | 228 | В наличии | |
| ОСТ 1 14460-87 | Шайба | 229 | В наличии | |
| ОСТ 1 14460-87 | Шайба | 230 | В наличии | |
| ОСТ 1 14460-87 | Шайба | 231 | В наличии | |
| ОСТ 1 14460-87 | Шайба | 232 | В наличии | |
| ОСТ 1 14460-87 | Шайба | 233 | В наличии | |
| ОСТ 1 14460-87 | Шайба | 234 | В наличии | |
| ОСТ 1 14460-87 | Шайба | 235 | В наличии | |
| ОСТ 1 14460-87 | Шайба | 236 | В наличии | |
| ОСТ 1 14460-87 | Шайба | 237 | В наличии | |
| ОСТ 1 14460-87 | Шайба | 238 | В наличии | |
| ОСТ 1 14460-87 | Шайба | 239 | В наличии | |
| ОСТ 1 14460-87 | Шайба | 240 | В наличии | |
| ОСТ 1 14460-87 | Шайба | 241 | В наличии | |
| ОСТ 1 14460-87 | Шайба | 242 | В наличии | |
| ОСТ 1 14460-87 | Шайба | 243 | В наличии | |
| ОСТ 1 14460-87 | Шайба | 244 | В наличии | |
| ОСТ 1 14460-87 | Шайба | 245 | В наличии | |
| ОСТ 1 14460-87 | Шайба | 246 | В наличии | |
| ОСТ 1 14460-87 | Шайба | 247 | В наличии | |
| ОСТ 1 14460-87 | Шайба | 248 | В наличии | |
| ОСТ 1 14460-87 | Шайба | 249 | В наличии | |
| ОСТ 1 14460-87 | Шайба | 250 | В наличии | |
| ОСТ 1 14460-87 | Шайба | 251 | В наличии | |
| ОСТ 1 14460-87 | Шайба | 252 | В наличии | |
| ОСТ 1 14460-87 | Шайба | 253 | В наличии | |
| ОСТ 1 14460-87 | Шайба | 254 | В наличии | |
| ОСТ 1 14460-87 | Шайба | 255 | В наличии | |
| ОСТ 1 14460-87 | Шайба | 256 | В наличии | |
| ОСТ 1 14460-87 | Шайба | 257 | В наличии | |
| ОСТ 1 14460-87 | Шайба | 258 | В наличии | |
| ОСТ 1 14460-87 | Шайба | 259 | В наличии | |
| ОСТ 1 14460-87 | Шайба | 260 | В наличии | |
| ОСТ 1 14460-87 | Шайба | 261 | В наличии | |
| ОСТ 1 14460-87 | Шайба | 262 | В наличии | |
| ОСТ 1 14460-87 | Шайба | 263 | В наличии | |
| ОСТ 1 14460-87 | Шайба | 264 | В наличии | |
| ОСТ 1 14460-87 | Шайба | 265 | В наличии | |
| ОСТ 1 14460-87 | Шайба | 266 | В наличии | |
| ОСТ 1 14460-87 | Шайба | 267 | В наличии | |
| ОСТ 1 14460-87 | Шайба | 268 | В наличии | |
| ОСТ 1 14460-87 | Шайба | 269 | В наличии | |
| ОСТ 1 14460-87 | Шайба | 270 | В наличии | |
| ОСТ 1 14460-87 | Шайба | 271 | В наличии | |
| ОСТ 1 14460-87 | Шайба | 272 | В наличии | |
| ОСТ 1 14460-87 | Шайба | 273 | В наличии | |
| ОСТ 1 14460-87 | Шайба | 274 | В наличии | |
| ОСТ 1 14460-87 | Шайба | 275 | В наличии | |
| ОСТ 1 14460-87 | Шайба | 276 | В наличии | |
| ОСТ 1 14460-87 | Шайба | 277 | В наличии | |
| ОСТ 1 14460-87 | Шайба | 278 | В наличии | |
| ОСТ 1 14460-87 | Шайба | 279 | В наличии | |
| ОСТ 1 14460-87 | Шайба | 280 | В наличии | |
| ОСТ 1 14460-87 | Шайба | 281 | В наличии | |
| ОСТ 1 14460-87 | Шайба | 282 | В наличии | |
| ОСТ 1 14460-87 | Шайба | 283 | В наличии | |
| ОСТ 1 14460-87 | Шайба | 284 | В наличии | |
| ОСТ 1 14460-87 | Шайба | 285 | В наличии | |
| ОСТ 1 14460-87 | Шайба | 286 | В наличии | |
| ОСТ 1 14460-87 | Шайба | 287 | В наличии | |
| ОСТ 1 14460-87 | Шайба | 288 | В наличии | |
| ОСТ 1 14460-87 | Шайба | 289 | В наличии | |
| ОСТ 1 14460-87 | Шайба | 290 | В наличии | |
| ОСТ 1 14460-87 | Шайба | 291 | В наличии | |
| ОСТ 1 14460-87 | Шайба | 292 | В наличии | |
| ОСТ 1 14460-87 | Шайба | 293 | В наличии | |
| ОСТ 1 14460-87 | Шайба | 294 | В наличии | |
| ОСТ 1 14460-87 | Шайба | 295 | В наличии | |
| ОСТ 1 14460-87 | Шайба | 296 | В наличии | |
| ОСТ 1 14460-87 | Шайба | 297 | В наличии | |
| ОСТ 1 14460-87 | Шайба | 298 | В наличии | |
| ОСТ 1 14460-87 | Шайба | 299 | В наличии | |
| ОСТ 1 14460-87 | Шайба | 300 | В наличии | |
| ОСТ 1 14460-87 | Шайба | 301 | В наличии | |
| ОСТ 1 14460-87 | Шайба | 302 | В наличии | |
| ОСТ 1 14460-87 | Шайба | 303 | В наличии | |
| ОСТ 1 14460-87 | Шайба | 304 | В наличии | |
| ОСТ 1 14460-87 | Шайба | 305 | В наличии | |
| ОСТ 1 14460-87 | Шайба | 306 | В наличии | |
| ОСТ 1 14460-87 | Шайба | 307 | В наличии | |
| ОСТ 1 14460-87 | Шайба | 308 | В наличии | |
| ОСТ 1 14460-87 | Шайба | 309 | В наличии | |
| ОСТ 1 14460-87 | Шайба | 310 | В наличии | |
| ОСТ 1 14460-87 | Шайба | 311 | В наличии | |
| ОСТ 1 14460-87 | Шайба | 312 | В наличии | |
| ОСТ 1 14460-87 | Шайба | 313 | В наличии | |
| ОСТ 1 14460-87 | Шайба | 314 | В наличии | |
| ОСТ 1 14460-87 | Шайба | 315 | В наличии | |
| ОСТ 1 14460-87 | Шайба | 316 | В наличии | |
| ОСТ 1 14460-87 | Шайба | 317 | В наличии | |
| ОСТ 1 14460-87 | Шайба | 318 | В наличии | |
| ОСТ 1 14460-87 | Шайба | 319 | В наличии | |
| ОСТ 1 14460-87 | Шайба | 320 | В наличии | |
| ОСТ 1 14460-87 | Шайба | 321 | В наличии | |
| ОСТ 1 14460-87 | Шайба | 322 | В наличии | |
| ОСТ 1 14460-87 | Шайба | 323 | В наличии | |
| ОСТ 1 14460-87 | Шайба | 324 | В наличии | |
| ОСТ 1 14460-87 | Шайба | 325 | В наличии | |
| ОСТ 1 14460-87 | Шайба | 326 | В наличии | |
| ОСТ 1 14460-87 | Шайба | 327 | В наличии | |
| ОСТ 1 14460-87 | Шайба | 328 | В наличии | |
| ОСТ 1 14460-87 | Шайба | 329 | В наличии | |
| ОСТ 1 14460-87 | Шайба | 330 | В наличии | |
| ОСТ 1 14460-87 | Шайба | 331 | В наличии | |
| ОСТ 1 14460-87 | Шайба | 332 | В наличии | |
| ОСТ 1 14460-87 | Шайба | 333 | В наличии | |
| ОСТ 1 14460-87 | Шайба | 334 | В наличии | |
| ОСТ 1 14460-87 | Шайба | 335 | В наличии | |
| ОСТ 1 14460-87 | Шайба | 336 | В наличии | |
| ОСТ 1 14460-87 | Шайба | 337 | В наличии | |
| ОСТ 1 14460-87 | Шайба | 338 | В наличии | |
| ОСТ 1 14460-87 | Шайба | 339 | В наличии | |
| ОСТ 1 14460-87 | Шайба | 340 | В наличии | |
| ОСТ 1 14460-87 | Шайба | 341 | В наличии | |
| ОСТ 1 14460-87 | Шайба | 342 | В наличии | |
| ОСТ 1 14460-87 | Шайба | 343 | В наличии | |
| ОСТ 1 14460-87 | Шайба | 344 | В наличии | |
| ОСТ 1 14460-87 | Шайба | 345 | В наличии | |
| ОСТ 1 14460-87 | Шайба | 346 | В наличии | |
| ОСТ 1 14460-87 | Шайба | 347 | В наличии | |
| ОСТ 1 14460-87 | Шайба | 348 | В наличии | |
| ОСТ 1 14460-87 | Шайба | 349 | В наличии | |
| ОСТ 1 14460-87 | Шайба | 350 | В наличии | |
| ОСТ 1 14460-87 | Шайба | 351 | В наличии | |
| ОСТ 1 14460-87 | Шайба | 352 | В наличии | |
| ОСТ 1 14460-87 | Шайба | 353 | В наличии | |
| ОСТ 1 14460-87 | Шайба | 354 | В наличии | |
| ОСТ 1 14460-87 | Шайба | 355 | В наличии | |
| ОСТ 1 14460-87 | Шайба | 356 | В наличии | |
| ОСТ 1 14460-87 | Шайба | 357 | В наличии | |
| ОСТ 1 14460-87 | Шайба | 358 | В наличии | |
| ОСТ 1 14460-87 | Шайба | 359 | В наличии | |
| ОСТ 1 14460-87 | Шайба | 360 | В наличии | |
| ОСТ 1 14460-87 | Шайба | 361 | В наличии | |
| ОСТ 1 14460-87 | Шайба | 362 | В наличии | |
| ОСТ 1 14460-87 | Шайба | 363 | В наличии | |
| ОСТ 1 14460-87 | Шайба | 364 | В наличии | |
| ОСТ 1 14460-87 | Шайба | 365 | В наличии | |
| ОСТ 1 14460-87 | Шайба | 366 | В наличии | |
| ОСТ 1 14460-87 | Шайба | 367 | В наличии | |
| ОСТ 1 14460-87 | Шайба | 368 | В наличии |
Для изготовителей и поставщиков: Добавить мои товары в базу
Для покупателей: Подать заявку на покупку
| Наименование | Типоразмер | Материал | Количество, шт | Вес, кг |
| Шайба ОСТ 1 14460-87 |
ОСТ 1 30055-84 Накатка кольцевая стержней болт-заклепок из титанового сплава
ОСТ 1 31076-80 Маркировка крепежных изделий взамен НОРМАЛЬ 176АТ
ОСТ 1 31076-80: Маркировка крепежных изделий (взамен НОРМАЛЬ 176АТ)
ОСТ 1 39502-77 Стопорение болтов, винтов, шпилек, штифтов и гаек
ОСТ 1 39503-77 Длины болтов и винтов
ОСТ 1 39504-79 Головки шестигранные болтов и винтов
ОСТ 1 51730-79 Оснастка для формообразования концов труб тяг управления из сплава Д16Т
ОСТ 1 51731-79 Оснастка для формообразования концов труб тяг управления из сплава Д16Т
ОСТ 1.41001-79 Диаметры отверстий под нарезание резьбы метрической по нормали 754АТ
ОСТ 1.41002-79 Диаметры стержней под нарезание резьбы метрической по нормали 754АТ и ОСТ 1.00039-73
ОСТ 92-0762-72 Болты, винты из титановых сплавов
ОСТ 92-1130-85 Детали стальные точные
ОСТ 92-1179-77 Детали и сборочные единицы из сталей марок 07Х16Н6 и 08Х17Н5М3
ОСТ 92-8653-75 по ОСТ 92-8674-75 Соединения трубопроводов по внутреннему конусу
ОСТ 92-8843-77 Крепежные детали повышенного качества
ОСТ-1-33102-80 Взамен нормали 102АТУ Гайки ОСТ-1-33102-80
Отраслевая нормаль 214АТ В замен нормали 214МТ55 метрическая резьбой со свободной посадкой
Отраслевая нормаль 714М55 pdf Кольца плоские ,стопорные технические условия
Отраслевая нормаль авиационной техники 101АТУ Взамен 201СТУ51
2026 «Быстрометиз». Мы не интернет-магазин. Информация о наличии и стоимости продукции не является публичной офертой.
Задайте вопрос нашим специалистам