ГОСТ 25681-83 Штуцера поворотные

ГОСТ 25681-83 ШТУЦЕРА Поворотные.

Настоящий стандарт распространяется на поворотные штуцера для резьбовых поворотных соединений трубопроводов. 

КОНСТРУКЦИЯ И ТЕХНИЧЕСКИЕ ОСОБЕННОСТИ

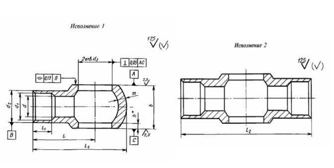
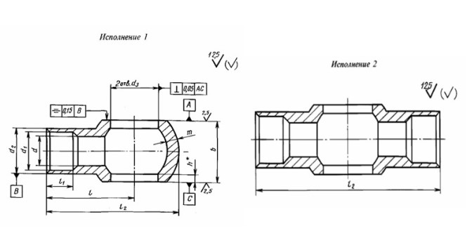
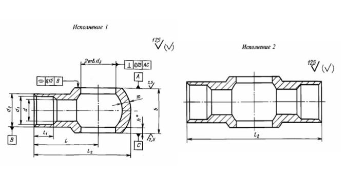
Конструкция штуцера состоит из металлического стержня с конструктивными элементами. Должны изготовляться в двух исполнениях (1-односторонние под пайку, 2-двусторонние под пайку)

Материал изготовления: сталь 45 по ГОСТ 1050, сталь 35 по ГОСТ 1050, сталь А30 по ГОСТ 1414.

Материал покрытия: без покрытия.

ГОСТ 25681-83.pdf

Пример условного обозначения поворотного штуцера группы 1, исполнения 1 для соединения с Dн=5мм:

Штуцер 1 - 1 - 5 ГОСТ 25681-83

Штуцер
Наименование метиза
1
Группа
1
Исполнение
5
Диаметр
ГОСТ 25681-83
Нормативно-технический документ

ПРИМЕНЕНИЕ

     Данные штуцеры используются во многих отраслях промышленности.

АНАЛОГИ

ОСТ/ГОСТНормальНаименованиеТипоразмерНа складе
ГОСТ 25681-83Штуцер1х1х3В наличии
ГОСТ 25681-83Штуцер1х1х4В наличии
ГОСТ 25681-83Штуцер1х1х5В наличии
ГОСТ 25681-83Штуцер2х1х6В наличии
ГОСТ 25681-83Штуцер2х1х8В наличии
ГОСТ 25681-83Штуцер2х1х10В наличии
ГОСТ 25681-83Штуцер2х1х12В наличии
ГОСТ 25681-83Штуцер2х1х15В наличии
ГОСТ 25681-83Штуцер2х1х16В наличии
ГОСТ 25681-83Штуцер2х1х18В наличии
ГОСТ 25681-83Штуцер2х1х22В наличии
ГОСТ 25681-83Штуцер2х1х28В наличии
ГОСТ 25681-83Штуцер2х1х34В наличии
ГОСТ 25681-83Штуцер2х1х35В наличии
ГОСТ 25681-83Штуцер2х1х42В наличии
ГОСТ 25681-83Штуцер1х2х3В наличии
ГОСТ 25681-83Штуцер1х2х4В наличии
ГОСТ 25681-83Штуцер1х2х5В наличии
ГОСТ 25681-83Штуцер2х2х6В наличии
ГОСТ 25681-83Штуцер2х2х8В наличии
ГОСТ 25681-83Штуцер2х2х10В наличии
ГОСТ 25681-83Штуцер2х2х12В наличии
ГОСТ 25681-83Штуцер2х2х15В наличии
ГОСТ 25681-83Штуцер2х2х16В наличии
ГОСТ 25681-83Штуцер2х2х18В наличии
ГОСТ 25681-83Штуцер2х2х22В наличии
ГОСТ 25681-83Штуцер2х2х28В наличии
ГОСТ 25681-83Штуцер2х2х34В наличии
ГОСТ 25681-83Штуцер2х2х35В наличии
ГОСТ 25681-83Штуцер2х2х42В наличии

Для изготовителей и поставщиков: Добавить мои товары в базу

Для покупателей: Подать заявку на покупку

НаименованиеТипоразмерМатериалКоличество, штВес, кг
Штуцер ГОСТ 25681-83
О

ОСТ 1 30055-84 Накатка кольцевая стержней болт-заклепок из титанового сплава

ОСТ 1 31076-80 Маркировка крепежных изделий взамен НОРМАЛЬ 176АТ

ОСТ 1 31076-80: Маркировка крепежных изделий (взамен НОРМАЛЬ 176АТ)

ОСТ 1 38016-80 Футорки

ОСТ 1 38020-82 Втулки

ОСТ 1 39502-77 Стопорение болтов, винтов, шпилек, штифтов и гаек

ОСТ 1 39503-77 Длины болтов и винтов

ОСТ 1 39504-79 Головки шестигранные болтов и винтов

ОСТ 1 41471-79 Формообразование концов труб тяг управления из сплава Д16Т. Типовой технологический процесс

ОСТ 1 51730-79 Оснастка для формообразования концов труб тяг управления из сплава Д16Т

ОСТ 1 51731-79 Оснастка для формообразования концов труб тяг управления из сплава Д16Т

ОСТ 1.41001-79 Диаметры отверстий под нарезание резьбы метрической по нормали 754АТ

ОСТ 1.41002-79 Диаметры стержней под нарезание резьбы метрической по нормали 754АТ и ОСТ 1.00039-73

ОСТ 92-0762-72 Болты, винты из титановых сплавов

ОСТ 92-0912-69 Детали из высокопрочных углеродистых легированных и высоколегированных сталей. ОСТ 92-0912-69

ОСТ 92-1130-85 Детали стальные точные

ОСТ 92-1179-77 Детали и сборочные единицы из сталей марок 07Х16Н6 и 08Х17Н5М3

ОСТ 92-8653-75 по ОСТ 92-8674-75 Соединения трубопроводов по внутреннему конусу

ОСТ 92-8843-77 Крепежные детали повышенного качества

ОСТ-1-33102-80 Взамен нормали 102АТУ Гайки ОСТ-1-33102-80

Отраслевая нормаль 214АТ В замен нормали 214МТ55 метрическая резьбой со свободной посадкой

Отраслевая нормаль 714М55 pdf Кольца плоские ,стопорные технические условия

Отраслевая нормаль авиационной техники 101АТУ Взамен 201СТУ51

Отраслевая нормаль авиационной техники. Нормаль 722АТ.

Р

РЕЗЬБА МЕТРИЧЕСКАЯ

Резьба метрическая усиленная тугой посадкой сталь в алюминиевые и магниевые сплавы. Нормаль 254АТ взамен нормальный 154МТ46

Резьба метрическая. Основные размеры и допуски. Отраслевая нормаль 257АТ взамен 57АТ50 взамен 153МТ54.

РЕЗЬБА ТРАПЕЦЕИДАЛЬНАЯ

РЕЗЬБА ТРУБНАЯ ЦИЛИНДРИЧЕСКАЯ

РЕЗЬБА УПОРНАЯ

Резьба усиленная метрическая тугой посадкой сталь сталь система вала настоящая норма распространяется на резьбу усиленную метрическую тугой посадкой для сопрягаемых материалов сталь в сталь. Нормаль 122МТ53 взамен нормали 122МТ51

Резьба усиленная метрическая тугой посадкой сталь сталь система вала настоящая норма распространяется на резьбу усиленную метрическую тугой посадкой для сопрягаемых материалов сталь в сталь. Нормаль 122МТ53 взамен нормали 122МТ51

Резьбовые соединения. Резьба метрическая с натягом по посадкам 2Н5Д и 2Н5С Отраслевой стандарт ОСТ 1 04065–92

Оформите заказ или получите консультацию