ОСТ 1 12394-77 Шайбы стопорные с лапкой и усиленным лепестком.

ОСТ 1 12394-77 ШАЙБЫ СТОПОРНЫЕ С ЛАПКОЙ И УСИЛЕННЫМ ЛЕПЕСТКОМ

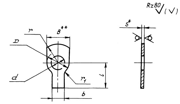
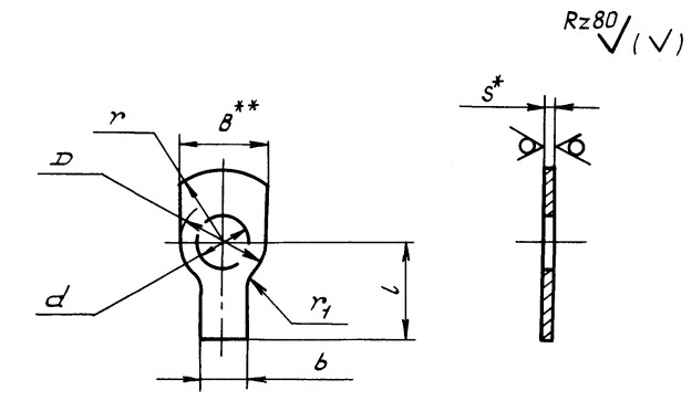
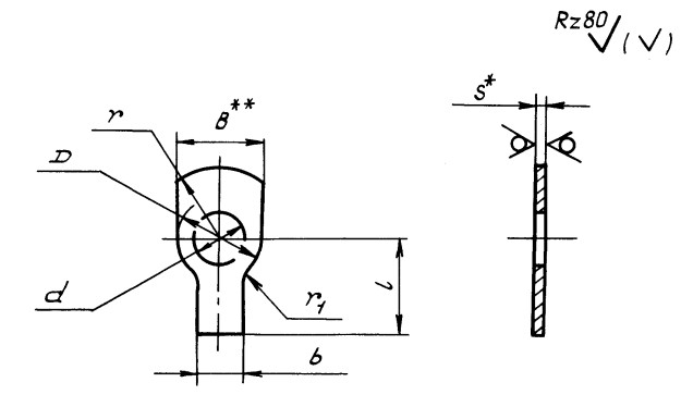
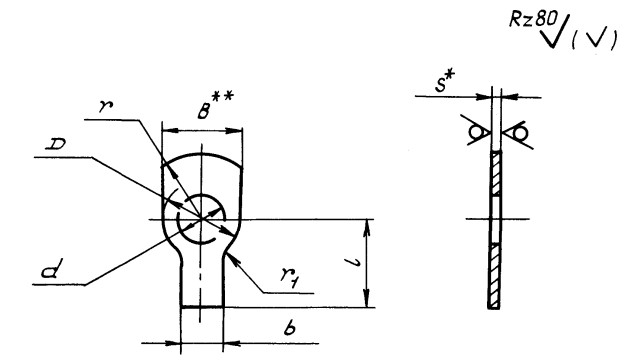
Шайбы по ОСТ 1 12394-77 - это крепеж, который представляет собой плоское кольцо с двумя язычками, ими крепят металлические конструкции с помощью болтов (шпилек) и гаек. Используются вместе с болтами (шпильками, приваренными стержнями с резьбой) и гайками. Для более прочного соединения могут применяться шайбы (гроверы).

КОНСТРУКЦИЯ И ТЕХНИЧЕСКИЕ ОСОБЕННОСТИ

Конструкция шайбы состоит изплоского кольца с двумя язычками.

Материал изготовления должен быть из стали марки XH78T.

Материал покрытия: Хим.пас.

ОСТ 1 12394-77.pdf

Пример наименования и обозначения стопор­ной шайбы с лапкой и усиленным лепестком для крепежной детали с номинальным диаметром резьбы 6 мм и расстоянием от основания до центра отверстия 12 мм из стали ХН78Т, пассивированной:

Расшифровка обозначения: Шайба 6-12-Хим.Пас-ОСТ 1 12394-77

Шайба
Наименование метиза
6
Диаметр резьбы
12
Расстояние
Хим.пас.
Покрытие
ОСТ 1 12394-77
Нормативно-технический документ

ПРИМЕНЕНИЕ

Шайбы применяются во многих отраслях промышленности, строительства и машиностроении. Высокий спрос на изделие и в машиностроеннии, где такие шайбы используют для надежного крепления, соединения деталей и металлических конструкций.

АНАЛОГИ

ОСТ/ГОСТНормальНаименованиеТипоразмерНа складе
ОСТ 1 12394-77Шайба5х10В наличии
ОСТ 1 12394-77Шайба5х16В наличии
ОСТ 1 12394-77Шайба6х9В наличии
ОСТ 1 12394-77Шайба6х12В наличии
ОСТ 1 12394-77Шайба6х18В наличии
ОСТ 1 12394-77Шайба8х11В наличии
ОСТ 1 12394-77Шайба8х15В наличии
ОСТ 1 12394-77Шайба8х20В наличии
ОСТ 1 12394-77Шайба10х13В наличии
ОСТ 1 12394-77Шайба10х18В наличии
ОСТ 1 12394-77Шайба10х24В наличии
ОСТ 1 12394-77Шайба12х16В наличии
ОСТ 1 12394-77Шайба12х20В наличии
ОСТ 1 12394-77Шайба12х26В наличии
ОСТ 1 12394-77Шайба14х24В наличии
ОСТ 1 12394-77Шайба14х30В наличии
ОСТ 1 12394-77Шайба16х27В наличии
ОСТ 1 12394-77Шайба16х32В наличии
ОСТ 1 12394-77Шайба18х30В наличии
ОСТ 1 12394-77Шайба18х36В наличии
ОСТ 1 12394-77Шайба20х32В наличии
ОСТ 1 12394-77Шайба20х38В наличии

Для изготовителей и поставщиков: Добавить мои товары в базу

Для покупателей: Подать заявку на покупку

НаименованиеТипоразмерМатериалКоличество, штВес, кг
Шайба ОСТ 1 12394-77
О

ОСТ 1 30055-84 Накатка кольцевая стержней болт-заклепок из титанового сплава

ОСТ 1 31076-80 Маркировка крепежных изделий взамен НОРМАЛЬ 176АТ

ОСТ 1 31076-80: Маркировка крепежных изделий (взамен НОРМАЛЬ 176АТ)

ОСТ 1 38016-80 Футорки

ОСТ 1 38020-82 Втулки

ОСТ 1 39502-77 Стопорение болтов, винтов, шпилек, штифтов и гаек

ОСТ 1 39503-77 Длины болтов и винтов

ОСТ 1 39504-79 Головки шестигранные болтов и винтов

ОСТ 1 41471-79 Формообразование концов труб тяг управления из сплава Д16Т. Типовой технологический процесс

ОСТ 1 51730-79 Оснастка для формообразования концов труб тяг управления из сплава Д16Т

ОСТ 1 51731-79 Оснастка для формообразования концов труб тяг управления из сплава Д16Т

ОСТ 1.41001-79 Диаметры отверстий под нарезание резьбы метрической по нормали 754АТ

ОСТ 1.41002-79 Диаметры стержней под нарезание резьбы метрической по нормали 754АТ и ОСТ 1.00039-73

ОСТ 92-0762-72 Болты, винты из титановых сплавов

ОСТ 92-0912-69 Детали из высокопрочных углеродистых легированных и высоколегированных сталей. ОСТ 92-0912-69

ОСТ 92-1179-77 Детали и сборочные единицы из сталей марок 07Х16Н6 и 08Х17Н5М3

ОСТ 92-8653-75 по ОСТ 92-8674-75 Соединения трубопроводов по внутреннему конусу

ОСТ-1-33102-80 Взамен нормали 102АТУ Гайки ОСТ-1-33102-80

Отраслевая нормаль 214АТ В замен нормали 214МТ55 метрическая резьбой со свободной посадкой

Отраслевая нормаль 714М55 pdf Кольца плоские ,стопорные технические условия

Отраслевая нормаль авиационной техники 101АТУ Взамен 201СТУ51

Отраслевая нормаль авиационной техники. Нормаль 722АТ.

Р

РЕЗЬБА МЕТРИЧЕСКАЯ

Резьба метрическая усиленная тугой посадкой сталь в алюминиевые и магниевые сплавы. Нормаль 254АТ взамен нормальный 154МТ46

Резьба метрическая. Основные размеры и допуски. Отраслевая нормаль 257АТ взамен 57АТ50 взамен 153МТ54.

РЕЗЬБА ТРАПЕЦЕИДАЛЬНАЯ

РЕЗЬБА ТРУБНАЯ ЦИЛИНДРИЧЕСКАЯ

РЕЗЬБА УПОРНАЯ

Резьба усиленная метрическая тугой посадкой сталь сталь система вала настоящая норма распространяется на резьбу усиленную метрическую тугой посадкой для сопрягаемых материалов сталь в сталь. Нормаль 122МТ53 взамен нормали 122МТ51

Резьба усиленная метрическая тугой посадкой сталь сталь система вала настоящая норма распространяется на резьбу усиленную метрическую тугой посадкой для сопрягаемых материалов сталь в сталь. Нормаль 122МТ53 взамен нормали 122МТ51

Резьбовые соединения. Резьба метрическая с натягом по посадкам 2Н5Д и 2Н5С Отраслевой стандарт ОСТ 1 04065–92

Оформите заказ или получите консультацию