ОСТ 1 34115-89 заклепки с плоско-скругленной головкой повышенной точности из титанового сплава
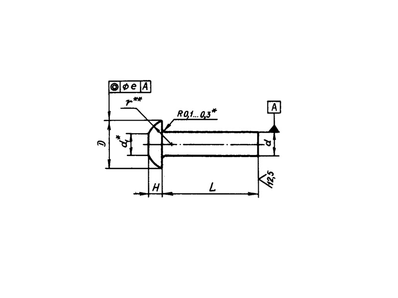
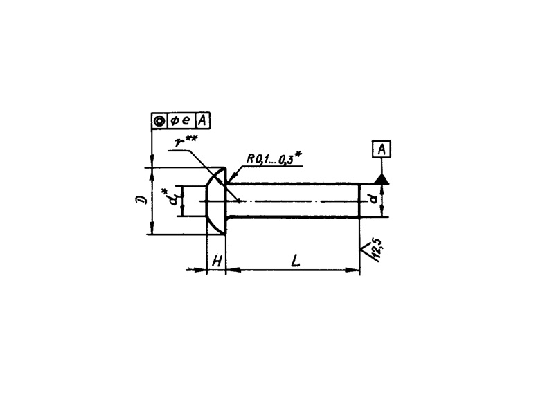
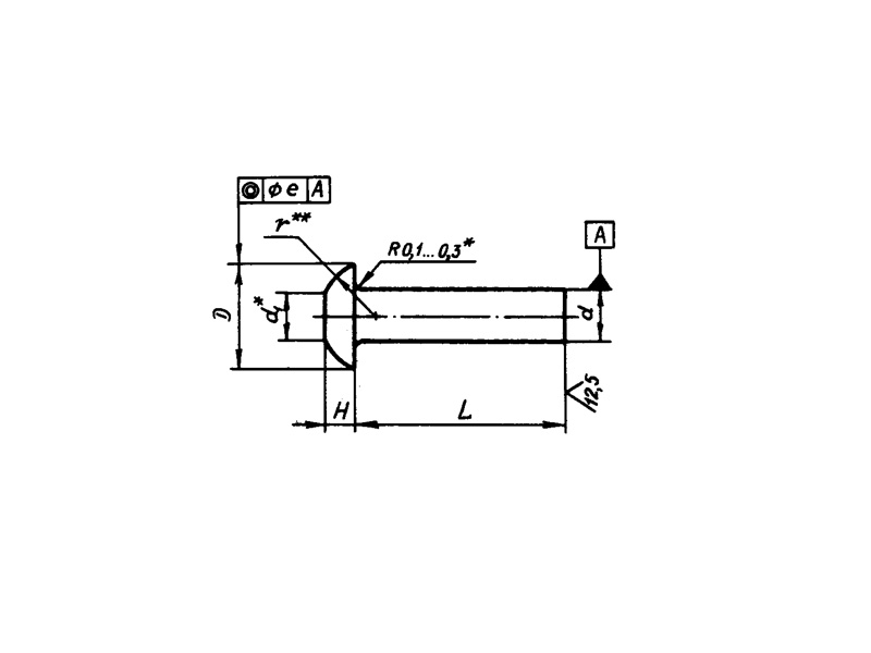
Заклепки с плоско-скругленной головкой по ОСТ 1 34115-89 – это специальный крепеж, который устанавливается прессовым способом клепки.
КОНСТРУКЦИЯ И ТЕХНИЧЕСКИЕ ОСОБЕННОСТИ
Конструкция заклепки состоит из плоско-скругленной головки и цилиндрического стержня.
Материал изготовления: титановый сплав ВТ16.
Материал покрытия: Ан.Окс 2-3, без покрытия.
Пример наименования и обозначения заклепки с плоско-скругленной головкой повышенной точности из титанового сплава, диаметром d=6мм и длиной L=24мм, анодированной:
Заклепка 6-24-Ан.Окс-ОСТ 1 34115-89
То же, без покрытия:
Заклепка 6-24-Бп-ОСТ 1 34115-89
ПРИМЕНЕНИЕ
Данные заклепки используются во многих отраслях промышленности.
АНАЛОГИ
| ОСТ/ГОСТ | Нормаль | Наименование | Типоразмер | На складе |
| ОСТ 1 34115-89 | Заклепка | 2,6х4 | В наличии | |
| ОСТ 1 34115-89 | Заклепка | 2,6х5 | В наличии | |
| ОСТ 1 34115-89 | Заклепка | 2,6х6 | В наличии | |
| ОСТ 1 34115-89 | Заклепка | 2,6х7 | В наличии | |
| ОСТ 1 34115-89 | Заклепка | 2,6х8 | В наличии | |
| ОСТ 1 34115-89 | Заклепка | 2,6х9 | В наличии | |
| ОСТ 1 34115-89 | Заклепка | 2,6х10 | В наличии | |
| ОСТ 1 34115-89 | Заклепка | 2,6х11 | В наличии | |
| ОСТ 1 34115-89 | Заклепка | 2,6х12 | В наличии | |
| ОСТ 1 34115-89 | Заклепка | 2,6х13 | В наличии | |
| ОСТ 1 34115-89 | Заклепка | 2,6х14 | В наличии | |
| ОСТ 1 34115-89 | Заклепка | 2,6х15 | В наличии | |
| ОСТ 1 34115-89 | Заклепка | 2,6х16 | В наличии | |
| ОСТ 1 34115-89 | Заклепка | 2,6х17 | В наличии | |
| ОСТ 1 34115-89 | Заклепка | 2,6х18 | В наличии | |
| ОСТ 1 34115-89 | Заклепка | 2,6х19 | В наличии | |
| ОСТ 1 34115-89 | Заклепка | 2,6х20 | В наличии | |
| ОСТ 1 34115-89 | Заклепка | 3х5 | В наличии | |
| ОСТ 1 34115-89 | Заклепка | 3х6 | В наличии | |
| ОСТ 1 34115-89 | Заклепка | 3х7 | В наличии | |
| ОСТ 1 34115-89 | Заклепка | 3х8 | В наличии | |
| ОСТ 1 34115-89 | Заклепка | 3х9 | В наличии | |
| ОСТ 1 34115-89 | Заклепка | 3х10 | В наличии | |
| ОСТ 1 34115-89 | Заклепка | 3х11 | В наличии | |
| ОСТ 1 34115-89 | Заклепка | 3х12 | В наличии | |
| ОСТ 1 34115-89 | Заклепка | 3х13 | В наличии | |
| ОСТ 1 34115-89 | Заклепка | 3х14 | В наличии | |
| ОСТ 1 34115-89 | Заклепка | 3х15 | В наличии | |
| ОСТ 1 34115-89 | Заклепка | 3х16 | В наличии | |
| ОСТ 1 34115-89 | Заклепка | 3х17 | В наличии | |
| ОСТ 1 34115-89 | Заклепка | 3х18 | В наличии | |
| ОСТ 1 34115-89 | Заклепка | 3х19 | В наличии | |
| ОСТ 1 34115-89 | Заклепка | 3х20 | В наличии | |
| ОСТ 1 34115-89 | Заклепка | 3х22 | В наличии | |
| ОСТ 1 34115-89 | Заклепка | 3х24 | В наличии | |
| ОСТ 1 34115-89 | Заклепка | 3,5х6 | В наличии | |
| ОСТ 1 34115-89 | Заклепка | 3,5х7 | В наличии | |
| ОСТ 1 34115-89 | Заклепка | 3,5х8 | В наличии | |
| ОСТ 1 34115-89 | Заклепка | 3,5х9 | В наличии | |
| ОСТ 1 34115-89 | Заклепка | 3,5х10 | В наличии | |
| ОСТ 1 34115-89 | Заклепка | 3,5х11 | В наличии | |
| ОСТ 1 34115-89 | Заклепка | 3,5х12 | В наличии | |
| ОСТ 1 34115-89 | Заклепка | 3,5х13 | В наличии | |
| ОСТ 1 34115-89 | Заклепка | 3,5х14 | В наличии | |
| ОСТ 1 34115-89 | Заклепка | 3,5х15 | В наличии | |
| ОСТ 1 34115-89 | Заклепка | 3,5х16 | В наличии | |
| ОСТ 1 34115-89 | Заклепка | 3,5х17 | В наличии | |
| ОСТ 1 34115-89 | Заклепка | 3,5х18 | В наличии | |
| ОСТ 1 34115-89 | Заклепка | 3,5х19 | В наличии | |
| ОСТ 1 34115-89 | Заклепка | 3,5х20 | В наличии | |
| ОСТ 1 34115-89 | Заклепка | 3,5х22 | В наличии | |
| ОСТ 1 34115-89 | Заклепка | 3,5х24 | В наличии | |
| ОСТ 1 34115-89 | Заклепка | 3,5х26 | В наличии | |
| ОСТ 1 34115-89 | Заклепка | 3,5х28 | В наличии | |
| ОСТ 1 34115-89 | Заклепка | 4х6 | В наличии | |
| ОСТ 1 34115-89 | Заклепка | 4х7 | В наличии | |
| ОСТ 1 34115-89 | Заклепка | 4х8 | В наличии | |
| ОСТ 1 34115-89 | Заклепка | 4х9 | В наличии | |
| ОСТ 1 34115-89 | Заклепка | 4х10 | В наличии | |
| ОСТ 1 34115-89 | Заклепка | 4х11 | В наличии | |
| ОСТ 1 34115-89 | Заклепка | 4х12 | В наличии | |
| ОСТ 1 34115-89 | Заклепка | 4х13 | В наличии | |
| ОСТ 1 34115-89 | Заклепка | 4х14 | В наличии | |
| ОСТ 1 34115-89 | Заклепка | 4х15 | В наличии | |
| ОСТ 1 34115-89 | Заклепка | 4х16 | В наличии | |
| ОСТ 1 34115-89 | Заклепка | 4х17 | В наличии | |
| ОСТ 1 34115-89 | Заклепка | 4х18 | В наличии | |
| ОСТ 1 34115-89 | Заклепка | 4х19 | В наличии | |
| ОСТ 1 34115-89 | Заклепка | 4х20 | В наличии | |
| ОСТ 1 34115-89 | Заклепка | 4х22 | В наличии | |
| ОСТ 1 34115-89 | Заклепка | 4х24 | В наличии | |
| ОСТ 1 34115-89 | Заклепка | 4х26 | В наличии | |
| ОСТ 1 34115-89 | Заклепка | 4х28 | В наличии | |
| ОСТ 1 34115-89 | Заклепка | 4х30 | В наличии | |
| ОСТ 1 34115-89 | Заклепка | 4х32 | В наличии | |
| ОСТ 1 34115-89 | Заклепка | 5х8 | В наличии | |
| ОСТ 1 34115-89 | Заклепка | 5х9 | В наличии | |
| ОСТ 1 34115-89 | Заклепка | 5х10 | В наличии | |
| ОСТ 1 34115-89 | Заклепка | 5х11 | В наличии | |
| ОСТ 1 34115-89 | Заклепка | 5х12 | В наличии | |
| ОСТ 1 34115-89 | Заклепка | 5х13 | В наличии | |
| ОСТ 1 34115-89 | Заклепка | 5х14 | В наличии | |
| ОСТ 1 34115-89 | Заклепка | 5х15 | В наличии | |
| ОСТ 1 34115-89 | Заклепка | 5х16 | В наличии | |
| ОСТ 1 34115-89 | Заклепка | 5х17 | В наличии | |
| ОСТ 1 34115-89 | Заклепка | 5х18 | В наличии | |
| ОСТ 1 34115-89 | Заклепка | 5х19 | В наличии | |
| ОСТ 1 34115-89 | Заклепка | 5х20 | В наличии | |
| ОСТ 1 34115-89 | Заклепка | 5х22 | В наличии | |
| ОСТ 1 34115-89 | Заклепка | 5х24 | В наличии | |
| ОСТ 1 34115-89 | Заклепка | 5х26 | В наличии | |
| ОСТ 1 34115-89 | Заклепка | 5х28 | В наличии | |
| ОСТ 1 34115-89 | Заклепка | 5х30 | В наличии | |
| ОСТ 1 34115-89 | Заклепка | 5х32 | В наличии | |
| ОСТ 1 34115-89 | Заклепка | 5х34 | В наличии | |
| ОСТ 1 34115-89 | Заклепка | 5х36 | В наличии | |
| ОСТ 1 34115-89 | Заклепка | 5х38 | В наличии | |
| ОСТ 1 34115-89 | Заклепка | 5х40 | В наличии | |
| ОСТ 1 34115-89 | Заклепка | 6х10 | В наличии | |
| ОСТ 1 34115-89 | Заклепка | 6х11 | В наличии | |
| ОСТ 1 34115-89 | Заклепка | 6х12 | В наличии | |
| ОСТ 1 34115-89 | Заклепка | 6х13 | В наличии | |
| ОСТ 1 34115-89 | Заклепка | 6х14 | В наличии | |
| ОСТ 1 34115-89 | Заклепка | 6х15 | В наличии | |
| ОСТ 1 34115-89 | Заклепка | 6х16 | В наличии | |
| ОСТ 1 34115-89 | Заклепка | 6х17 | В наличии | |
| ОСТ 1 34115-89 | Заклепка | 6х18 | В наличии | |
| ОСТ 1 34115-89 | Заклепка | 6х19 | В наличии | |
| ОСТ 1 34115-89 | Заклепка | 6х20 | В наличии | |
| ОСТ 1 34115-89 | Заклепка | 6х22 | В наличии | |
| ОСТ 1 34115-89 | Заклепка | 6х24 | В наличии | |
| ОСТ 1 34115-89 | Заклепка | 6х26 | В наличии | |
| ОСТ 1 34115-89 | Заклепка | 6х28 | В наличии | |
| ОСТ 1 34115-89 | Заклепка | 6х30 | В наличии | |
| ОСТ 1 34115-89 | Заклепка | 6х32 | В наличии | |
| ОСТ 1 34115-89 | Заклепка | 6х34 | В наличии | |
| ОСТ 1 34115-89 | Заклепка | 6х36 | В наличии | |
| ОСТ 1 34115-89 | Заклепка | 6х38 | В наличии | |
| ОСТ 1 34115-89 | Заклепка | 6х40 | В наличии |
Для изготовителей и поставщиков: Добавить мои товары в базу
Для покупателей: Подать заявку на покупку
| Наименование | Типоразмер | Материал | Количество, шт | Вес, кг |
| Заклепка ОСТ 1 34115-89 |
ОСТ 1 30055-84 Накатка кольцевая стержней болт-заклепок из титанового сплава
ОСТ 1 31076-80 Маркировка крепежных изделий взамен НОРМАЛЬ 176АТ
ОСТ 1 31076-80: Маркировка крепежных изделий (взамен НОРМАЛЬ 176АТ)
ОСТ 1 39502-77 Стопорение болтов, винтов, шпилек, штифтов и гаек
ОСТ 1 39503-77 Длины болтов и винтов
ОСТ 1 39504-79 Головки шестигранные болтов и винтов
ОСТ 1 51730-79 Оснастка для формообразования концов труб тяг управления из сплава Д16Т
ОСТ 1 51731-79 Оснастка для формообразования концов труб тяг управления из сплава Д16Т
ОСТ 1.41001-79 Диаметры отверстий под нарезание резьбы метрической по нормали 754АТ
ОСТ 1.41002-79 Диаметры стержней под нарезание резьбы метрической по нормали 754АТ и ОСТ 1.00039-73
ОСТ 92-0762-72 Болты, винты из титановых сплавов
ОСТ 92-1130-85 Детали стальные точные
ОСТ 92-1179-77 Детали и сборочные единицы из сталей марок 07Х16Н6 и 08Х17Н5М3
ОСТ 92-8653-75 по ОСТ 92-8674-75 Соединения трубопроводов по внутреннему конусу
ОСТ 92-8843-77 Крепежные детали повышенного качества
ОСТ-1-33102-80 Взамен нормали 102АТУ Гайки ОСТ-1-33102-80
Отраслевая нормаль 214АТ В замен нормали 214МТ55 метрическая резьбой со свободной посадкой
Отраслевая нормаль 714М55 pdf Кольца плоские ,стопорные технические условия
Отраслевая нормаль авиационной техники 101АТУ Взамен 201СТУ51
2026 «Быстрометиз». Мы не интернет-магазин. Информация о наличии и стоимости продукции не является публичной офертой.
Задайте вопрос нашим специалистам