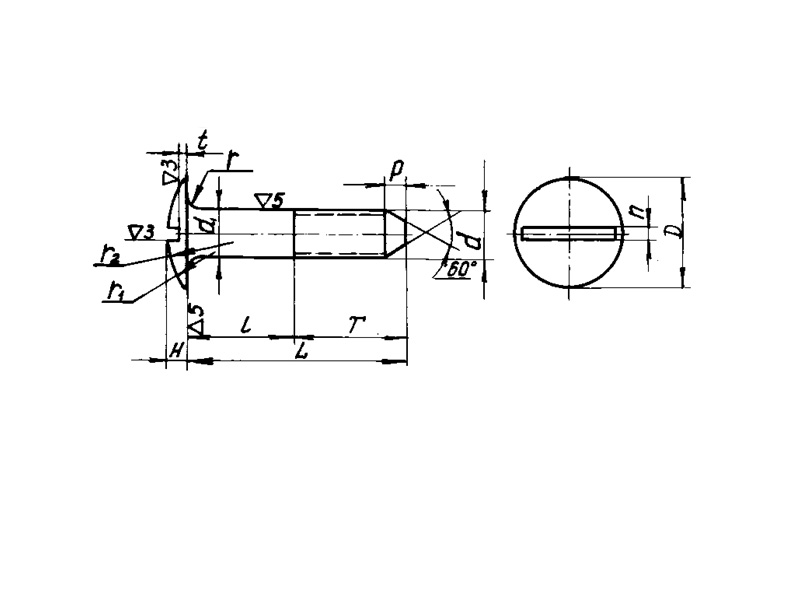
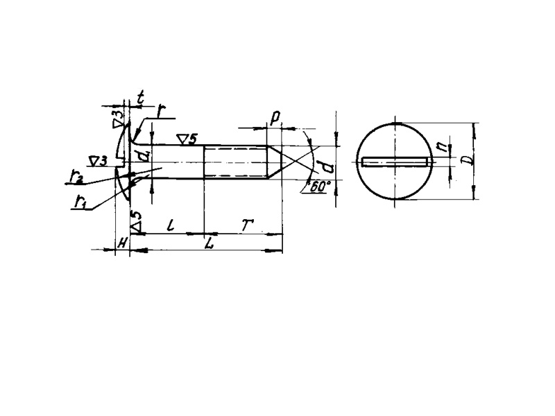
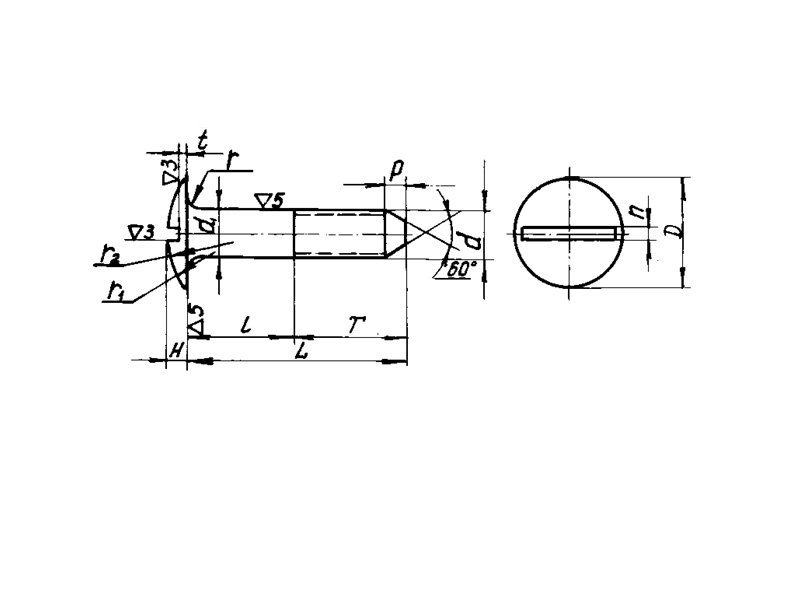
НОРМАЛЬ 3091А БОЛТЫ С НАПРАВЛЯЮЩИМ КОНУСОМ И ПЛОСКОВЫПУКЛОЙ ГОЛОВКОЙ
Болты с направляющим конусом по нормали 3091А – это специальный крепеж, так как им можно соединять сразу несколько деталей, закрепляя их гайками. Используются вместе с гайками (шестигранными, квадратными, приварными и в ответную часть крепления). Для более прочного соединения могут применяться шайбы (гроверы).
КОНСТРУКЦИЯ И ТЕХНИЧЕСКИЕ ОСОБЕННОСТИ
Конструкция болта состоит из головки с прямым шлицем и цилиндрического стержня с резьбой и направляющим конусом.
Материал изготовления: сталь 30ХГСА.
Материал покрытия: цинкование.
Пример обозначения болта с размерами d1=8 и L=36 мм:
3091А-8-36
ПРИМЕНЕНИЕ
Данные болты используются во многих отраслях промышленности.
АНАЛОГИ
Нормали 1540С54.
Нормаль 1541С54.
| ОСТ/ГОСТ | Нормаль | Наименование | Типоразмер | На складе |
| Нормаль 3091А | 1540С54, 1541С54 | Болт | 4х14 | В наличии |
| Нормаль 3091А | 1540С54, 1541С54 | Болт | 4х16 | В наличии |
| Нормаль 3091А | 1540С54, 1541С54 | Болт | 4х18 | В наличии |
| Нормаль 3091А | 1540С54, 1541С54 | Болт | 4х20 | В наличии |
| Нормаль 3091А | 1540С54, 1541С54 | Болт | 4х22 | В наличии |
| Нормаль 3091А | 1540С54, 1541С54 | Болт | 4х24 | В наличии |
| Нормаль 3091А | 1540С54, 1541С54 | Болт | 4х26 | В наличии |
| Нормаль 3091А | 1540С54, 1541С54 | Болт | 4х28 | В наличии |
| Нормаль 3091А | 1540С54, 1541С54 | Болт | 4х30 | В наличии |
| Нормаль 3091А | 1540С54, 1541С54 | Болт | 4х32 | В наличии |
| Нормаль 3091А | 1540С54, 1541С54 | Болт | 4х34 | В наличии |
| Нормаль 3091А | 1540С54, 1541С54 | Болт | 4х36 | В наличии |
| Нормаль 3091А | 1540С54, 1541С54 | Болт | 4х38 | В наличии |
| Нормаль 3091А | 1540С54, 1541С54 | Болт | 4х40 | В наличии |
| Нормаль 3091А | 1540С54, 1541С54 | Болт | 5х20 | В наличии |
| Нормаль 3091А | 1540С54, 1541С54 | Болт | 5х22 | В наличии |
| Нормаль 3091А | 1540С54, 1541С54 | Болт | 5х24 | В наличии |
| Нормаль 3091А | 1540С54, 1541С54 | Болт | 5х26 | В наличии |
| Нормаль 3091А | 1540С54, 1541С54 | Болт | 5х28 | В наличии |
| Нормаль 3091А | 1540С54, 1541С54 | Болт | 5х30 | В наличии |
| Нормаль 3091А | 1540С54, 1541С54 | Болт | 5х32 | В наличии |
| Нормаль 3091А | 1540С54, 1541С54 | Болт | 5х34 | В наличии |
| Нормаль 3091А | 1540С54, 1541С54 | Болт | 5х36 | В наличии |
| Нормаль 3091А | 1540С54, 1541С54 | Болт | 5х38 | В наличии |
| Нормаль 3091А | 1540С54, 1541С54 | Болт | 5х40 | В наличии |
| Нормаль 3091А | 1540С54, 1541С54 | Болт | 5х42 | В наличии |
| Нормаль 3091А | 1540С54, 1541С54 | Болт | 5х44 | В наличии |
| Нормаль 3091А | 1540С54, 1541С54 | Болт | 5х46 | В наличии |
| Нормаль 3091А | 1540С54, 1541С54 | Болт | 5х48 | В наличии |
| Нормаль 3091А | 1540С54, 1541С54 | Болт | 5х50 | В наличии |
| Нормаль 3091А | 1540С54, 1541С54 | Болт | 6х20 | В наличии |
| Нормаль 3091А | 1540С54, 1541С54 | Болт | 6х22 | В наличии |
| Нормаль 3091А | 1540С54, 1541С54 | Болт | 6х24 | В наличии |
| Нормаль 3091А | 1540С54, 1541С54 | Болт | 6х26 | В наличии |
| Нормаль 3091А | 1540С54, 1541С54 | Болт | 6х28 | В наличии |
| Нормаль 3091А | 1540С54, 1541С54 | Болт | 6х30 | В наличии |
| Нормаль 3091А | 1540С54, 1541С54 | Болт | 6х32 | В наличии |
| Нормаль 3091А | 1540С54, 1541С54 | Болт | 6х34 | В наличии |
| Нормаль 3091А | 1540С54, 1541С54 | Болт | 6х36 | В наличии |
| Нормаль 3091А | 1540С54, 1541С54 | Болт | 6х38 | В наличии |
| Нормаль 3091А | 1540С54, 1541С54 | Болт | 6х40 | В наличии |
| Нормаль 3091А | 1540С54, 1541С54 | Болт | 6х42 | В наличии |
| Нормаль 3091А | 1540С54, 1541С54 | Болт | 6х44 | В наличии |
| Нормаль 3091А | 1540С54, 1541С54 | Болт | 6х46 | В наличии |
| Нормаль 3091А | 1540С54, 1541С54 | Болт | 6х48 | В наличии |
| Нормаль 3091А | 1540С54, 1541С54 | Болт | 6х50 | В наличии |
| Нормаль 3091А | 1540С54, 1541С54 | Болт | 6х52 | В наличии |
| Нормаль 3091А | 1540С54, 1541С54 | Болт | 6х54 | В наличии |
| Нормаль 3091А | 1540С54, 1541С54 | Болт | 6х56 | В наличии |
| Нормаль 3091А | 1540С54, 1541С54 | Болт | 6х58 | В наличии |
| Нормаль 3091А | 1540С54, 1541С54 | Болт | 6х60 | В наличии |
| Нормаль 3091А | 1540С54, 1541С54 | Болт | 6х62 | В наличии |
| Нормаль 3091А | 1540С54, 1541С54 | Болт | 8х22 | В наличии |
| Нормаль 3091А | 1540С54, 1541С54 | Болт | 8х24 | В наличии |
| Нормаль 3091А | 1540С54, 1541С54 | Болт | 8х26 | В наличии |
| Нормаль 3091А | 1540С54, 1541С54 | Болт | 8х28 | В наличии |
| Нормаль 3091А | 1540С54, 1541С54 | Болт | 8х30 | В наличии |
| Нормаль 3091А | 1540С54, 1541С54 | Болт | 8х32 | В наличии |
| Нормаль 3091А | 1540С54, 1541С54 | Болт | 8х34 | В наличии |
| Нормаль 3091А | 1540С54, 1541С54 | Болт | 8х36 | В наличии |
| Нормаль 3091А | 1540С54, 1541С54 | Болт | 8х38 | В наличии |
| Нормаль 3091А | 1540С54, 1541С54 | Болт | 8х40 | В наличии |
| Нормаль 3091А | 1540С54, 1541С54 | Болт | 8х42 | В наличии |
| Нормаль 3091А | 1540С54, 1541С54 | Болт | 8х44 | В наличии |
| Нормаль 3091А | 1540С54, 1541С54 | Болт | 8х46 | В наличии |
| Нормаль 3091А | 1540С54, 1541С54 | Болт | 8х48 | В наличии |
| Нормаль 3091А | 1540С54, 1541С54 | Болт | 8х50 | В наличии |
| Нормаль 3091А | 1540С54, 1541С54 | Болт | 8х52 | В наличии |
| Нормаль 3091А | 1540С54, 1541С54 | Болт | 8х54 | В наличии |
| Нормаль 3091А | 1540С54, 1541С54 | Болт | 8х56 | В наличии |
| Нормаль 3091А | 1540С54, 1541С54 | Болт | 8х58 | В наличии |
| Нормаль 3091А | 1540С54, 1541С54 | Болт | 8х60 | В наличии |
| Нормаль 3091А | 1540С54, 1541С54 | Болт | 8х62 | В наличии |
| Нормаль 3091А | 1540С54, 1541С54 | Болт | 8х64 | В наличии |
| Нормаль 3091А | 1540С54, 1541С54 | Болт | 8х66 | В наличии |
| Нормаль 3091А | 1540С54, 1541С54 | Болт | 8х68 | В наличии |
| Нормаль 3091А | 1540С54, 1541С54 | Болт | 8х70 | В наличии |
| Нормаль 3091А | 1540С54, 1541С54 | Болт | 8х72 | В наличии |
| Нормаль 3091А | 1540С54, 1541С54 | Болт | 8х74 | В наличии |
| Нормаль 3091А | 1540С54, 1541С54 | Болт | 8х76 | В наличии |
| Нормаль 3091А | 1540С54, 1541С54 | Болт | 8х78 | В наличии |
| Нормаль 3091А | 1540С54, 1541С54 | Болт | 8х80 | В наличии |
| Нормаль 3091А | 1540С54, 1541С54 | Болт | 8х82 | В наличии |
Для изготовителей и поставщиков: Добавить мои товары в базу
Для покупателей: Подать заявку на покупку
| Наименование | Типоразмер | Материал | Количество, шт | Вес, кг |
| Болт Нормаль 3091А 1540С54, 1541С54 |
ОСТ 1 30055-84 Накатка кольцевая стержней болт-заклепок из титанового сплава
ОСТ 1 31076-80 Маркировка крепежных изделий взамен НОРМАЛЬ 176АТ
ОСТ 1 31076-80: Маркировка крепежных изделий (взамен НОРМАЛЬ 176АТ)
ОСТ 1 39502-77 Стопорение болтов, винтов, шпилек, штифтов и гаек
ОСТ 1 39503-77 Длины болтов и винтов
ОСТ 1 39504-79 Головки шестигранные болтов и винтов
ОСТ 1 51730-79 Оснастка для формообразования концов труб тяг управления из сплава Д16Т
ОСТ 1 51731-79 Оснастка для формообразования концов труб тяг управления из сплава Д16Т
ОСТ 1.41001-79 Диаметры отверстий под нарезание резьбы метрической по нормали 754АТ
ОСТ 1.41002-79 Диаметры стержней под нарезание резьбы метрической по нормали 754АТ и ОСТ 1.00039-73
ОСТ 92-0762-72 Болты, винты из титановых сплавов
ОСТ 92-1130-85 Детали стальные точные
ОСТ 92-1179-77 Детали и сборочные единицы из сталей марок 07Х16Н6 и 08Х17Н5М3
ОСТ 92-8653-75 по ОСТ 92-8674-75 Соединения трубопроводов по внутреннему конусу
ОСТ 92-8843-77 Крепежные детали повышенного качества
ОСТ-1-33102-80 Взамен нормали 102АТУ Гайки ОСТ-1-33102-80
Отраслевая нормаль 214АТ В замен нормали 214МТ55 метрическая резьбой со свободной посадкой
Отраслевая нормаль 714М55 pdf Кольца плоские ,стопорные технические условия
Отраслевая нормаль авиационной техники 101АТУ Взамен 201СТУ51
2026 «Быстрометиз». Мы не интернет-магазин. Информация о наличии и стоимости продукции не является публичной офертой.
Задайте вопрос нашим специалистам