ГОСТ 11871-88 Гайки круглые шлицевые класса точности А

ГОСТ 11871-88 ГАЙКИ КРУГЛЫЕ ШЛИЦЕВЫЕ КЛАССА ТОЧНОСТИ А

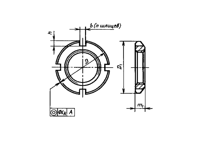
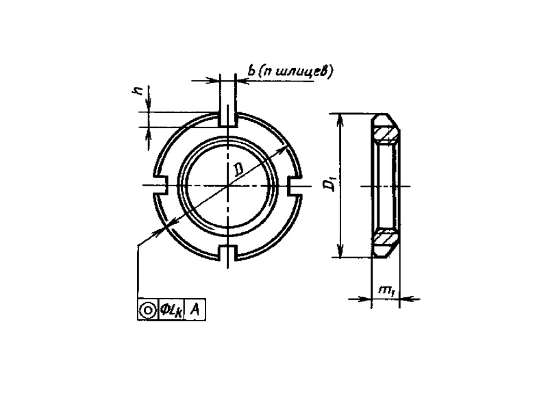
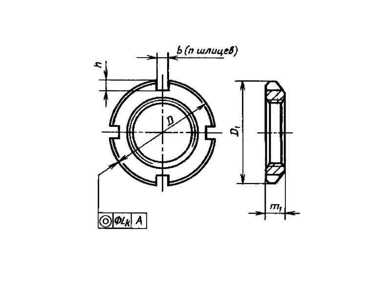
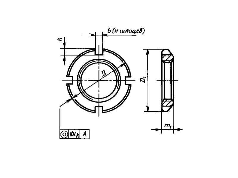
     Гайки круглые по ГОСТ 11871-88 – это специальный крепеж, так как имеет шлиц и внутреннее отверстие с резьбой, ими крепят металлические конструкции с помощью болтов (шпилек). Используются вместе с болтами (шпильками, приваренными стержнями с резьбой).

КОНСТРУКЦИЯ И ТЕХНИЧЕСКИЕ ОСОБЕННОСТИ

     Конструкция гайки состоит из кольца с внутренним отверстием и резьбой.

     Материал изготовления: сталь 35, латунь.

     Материал покрытия: без покрытия, Хим.Окс., Ц.хр.

ГОСТ 11871-88.pdf

Пример наименования и обозначения гайки исполнения 1, с диаметрами резьбы d = 16 мм, с мелким шагом резьбы 1,5 мм с полем допуска резьбы 6Н, из стали марки 35, с химическим окисным покрытием, пропитанным маслом:

Гайка М16х1,5-6Н.05.05 ГОСТ 11871-88

Гайка
Наименование метиза
М16
Диаметр резьбы
1,5
Шаг резьбы
Поле допуска
05
Толщина покрытия
05
Материал покрытия
ГОСТ 11871-88
Нормативно-технический документ

То же, из латуни Л63, без покрытия:

Гайка М16х1,5-6Н.32 ГОСТ 11871-88

Гайка
Наименование метиза
М16
Диаметр резьбы
1,5
Шаг резьбы
Поле допуска
32
Материал изготовления
ГОСТ 11871-88
Нормативно-технический документ

То же, исполнения 2, с цинковым покрытием толщиной 9 мкм, хроматированным:

Гайка 2 М16х1,5-6Н.019 ГОСТ 11871-88

Гайка
Наименование метиза
2
Исполнение
М16
Диаметр резьбы
1,5
Шаг резьбы
Поле допуска
01
Материал покрытия
9
Толщина покрытия
ГОСТ 11871-88
Нормативно-технический документ

ПРИМЕНЕНИЕ

     Данные гайки используются во многих отраслях промышленности.

АНАЛОГИ

ОСТ/ГОСТНормальНаименованиеТипоразмерНа складе
ГОСТ 11871-88Гайка6В наличии
ГОСТ 11871-88Гайка8В наличии
ГОСТ 11871-88Гайка10В наличии
ГОСТ 11871-88Гайка12В наличии
ГОСТ 11871-88Гайка14В наличии
ГОСТ 11871-88Гайка16В наличии
ГОСТ 11871-88Гайка18В наличии
ГОСТ 11871-88Гайка20В наличии
ГОСТ 11871-88Гайка22В наличии
ГОСТ 11871-88Гайка24В наличии
ГОСТ 11871-88Гайка27В наличии
ГОСТ 11871-88Гайка30В наличии
ГОСТ 11871-88Гайка33В наличии
ГОСТ 11871-88Гайка36В наличии
ГОСТ 11871-88Гайка39В наличии
ГОСТ 11871-88Гайка42В наличии
ГОСТ 11871-88Гайка45В наличии
ГОСТ 11871-88Гайка48В наличии
ГОСТ 11871-88Гайка50В наличии
ГОСТ 11871-88Гайка52В наличии
ГОСТ 11871-88Гайка56В наличии
ГОСТ 11871-88Гайка58В наличии
ГОСТ 11871-88Гайка60В наличии
ГОСТ 11871-88Гайка62В наличии
ГОСТ 11871-88Гайка64В наличии
ГОСТ 11871-88Гайка68В наличии
ГОСТ 11871-88Гайка70В наличии
ГОСТ 11871-88Гайка72В наличии
ГОСТ 11871-88Гайка76В наличии
ГОСТ 11871-88Гайка80В наличии
ГОСТ 11871-88Гайка85В наличии
ГОСТ 11871-88Гайка90В наличии
ГОСТ 11871-88Гайка95В наличии
ГОСТ 11871-88Гайка100В наличии
ГОСТ 11871-88Гайка105В наличии
ГОСТ 11871-88Гайка110В наличии
ГОСТ 11871-88Гайка115В наличии
ГОСТ 11871-88Гайка120В наличии
ГОСТ 11871-88Гайка125В наличии
ГОСТ 11871-88Гайка130В наличии
ГОСТ 11871-88Гайка135В наличии
ГОСТ 11871-88Гайка140В наличии
ГОСТ 11871-88Гайка145В наличии
ГОСТ 11871-88Гайка150В наличии
ГОСТ 11871-88Гайка160В наличии
ГОСТ 11871-88Гайка170В наличии
ГОСТ 11871-88Гайка180В наличии
ГОСТ 11871-88Гайка190В наличии
ГОСТ 11871-88Гайка200В наличии
ГОСТ 11871-88Гайка2х6В наличии
ГОСТ 11871-88Гайка2х8В наличии
ГОСТ 11871-88Гайка2х10В наличии
ГОСТ 11871-88Гайка2х12В наличии
ГОСТ 11871-88Гайка2х14В наличии
ГОСТ 11871-88Гайка2х16В наличии
ГОСТ 11871-88Гайка2х18В наличии
ГОСТ 11871-88Гайка2х20В наличии
ГОСТ 11871-88Гайка2х22В наличии
ГОСТ 11871-88Гайка2х24В наличии
ГОСТ 11871-88Гайка2х27В наличии
ГОСТ 11871-88Гайка2х30В наличии
ГОСТ 11871-88Гайка2х33В наличии
ГОСТ 11871-88Гайка2х36В наличии
ГОСТ 11871-88Гайка2х39В наличии
ГОСТ 11871-88Гайка2х42В наличии
ГОСТ 11871-88Гайка2х45В наличии
ГОСТ 11871-88Гайка2х48В наличии
ГОСТ 11871-88Гайка2х50В наличии
ГОСТ 11871-88Гайка2х52В наличии
ГОСТ 11871-88Гайка2х56В наличии
ГОСТ 11871-88Гайка2х58В наличии
ГОСТ 11871-88Гайка2х60В наличии
ГОСТ 11871-88Гайка2х62В наличии
ГОСТ 11871-88Гайка2х64В наличии
ГОСТ 11871-88Гайка2х68В наличии
ГОСТ 11871-88Гайка2х70В наличии
ГОСТ 11871-88Гайка2х72В наличии
ГОСТ 11871-88Гайка2х76В наличии
ГОСТ 11871-88Гайка2х80В наличии
ГОСТ 11871-88Гайка2х85В наличии
ГОСТ 11871-88Гайка2х90В наличии
ГОСТ 11871-88Гайка2х95В наличии
ГОСТ 11871-88Гайка2х100В наличии
ГОСТ 11871-88Гайка2х105В наличии
ГОСТ 11871-88Гайка2х110В наличии
ГОСТ 11871-88Гайка2х115В наличии
ГОСТ 11871-88Гайка2х120В наличии
ГОСТ 11871-88Гайка2х125В наличии
ГОСТ 11871-88Гайка2х130В наличии
ГОСТ 11871-88Гайка2х135В наличии
ГОСТ 11871-88Гайка2х140В наличии
ГОСТ 11871-88Гайка2х145В наличии
ГОСТ 11871-88Гайка2х150В наличии
ГОСТ 11871-88Гайка2х160В наличии
ГОСТ 11871-88Гайка2х170В наличии
ГОСТ 11871-88Гайка2х180В наличии
ГОСТ 11871-88Гайка2х190В наличии
ГОСТ 11871-88Гайка2х200В наличии

Для изготовителей и поставщиков: Добавить мои товары в базу

Для покупателей: Подать заявку на покупку

НаименованиеТипоразмерМатериалКоличество, штВес, кг
Гайка ГОСТ 11871-88
О

ОСТ 1 30055-84 Накатка кольцевая стержней болт-заклепок из титанового сплава

ОСТ 1 31076-80 Маркировка крепежных изделий взамен НОРМАЛЬ 176АТ

ОСТ 1 31076-80: Маркировка крепежных изделий (взамен НОРМАЛЬ 176АТ)

ОСТ 1 38016-80 Футорки

ОСТ 1 38020-82 Втулки

ОСТ 1 39502-77 Стопорение болтов, винтов, шпилек, штифтов и гаек

ОСТ 1 39503-77 Длины болтов и винтов

ОСТ 1 39504-79 Головки шестигранные болтов и винтов

ОСТ 1 41471-79 Формообразование концов труб тяг управления из сплава Д16Т. Типовой технологический процесс

ОСТ 1 51730-79 Оснастка для формообразования концов труб тяг управления из сплава Д16Т

ОСТ 1 51731-79 Оснастка для формообразования концов труб тяг управления из сплава Д16Т

ОСТ 1.41001-79 Диаметры отверстий под нарезание резьбы метрической по нормали 754АТ

ОСТ 1.41002-79 Диаметры стержней под нарезание резьбы метрической по нормали 754АТ и ОСТ 1.00039-73

ОСТ 92-0762-72 Болты, винты из титановых сплавов

ОСТ 92-0912-69 Детали из высокопрочных углеродистых легированных и высоколегированных сталей. ОСТ 92-0912-69

ОСТ 92-1130-85 Детали стальные точные

ОСТ 92-1179-77 Детали и сборочные единицы из сталей марок 07Х16Н6 и 08Х17Н5М3

ОСТ 92-8653-75 по ОСТ 92-8674-75 Соединения трубопроводов по внутреннему конусу

ОСТ 92-8843-77 Крепежные детали повышенного качества

ОСТ-1-33102-80 Взамен нормали 102АТУ Гайки ОСТ-1-33102-80

Отраслевая нормаль 214АТ В замен нормали 214МТ55 метрическая резьбой со свободной посадкой

Отраслевая нормаль 714М55 pdf Кольца плоские ,стопорные технические условия

Отраслевая нормаль авиационной техники 101АТУ Взамен 201СТУ51

Отраслевая нормаль авиационной техники. Нормаль 722АТ.

Р

РЕЗЬБА МЕТРИЧЕСКАЯ

Резьба метрическая усиленная тугой посадкой сталь в алюминиевые и магниевые сплавы. Нормаль 254АТ взамен нормальный 154МТ46

Резьба метрическая. Основные размеры и допуски. Отраслевая нормаль 257АТ взамен 57АТ50 взамен 153МТ54.

РЕЗЬБА ТРАПЕЦЕИДАЛЬНАЯ

РЕЗЬБА ТРУБНАЯ ЦИЛИНДРИЧЕСКАЯ

РЕЗЬБА УПОРНАЯ

Резьба усиленная метрическая тугой посадкой сталь сталь система вала настоящая норма распространяется на резьбу усиленную метрическую тугой посадкой для сопрягаемых материалов сталь в сталь. Нормаль 122МТ53 взамен нормали 122МТ51

Резьба усиленная метрическая тугой посадкой сталь сталь система вала настоящая норма распространяется на резьбу усиленную метрическую тугой посадкой для сопрягаемых материалов сталь в сталь. Нормаль 122МТ53 взамен нормали 122МТ51

Резьбовые соединения. Резьба метрическая с натягом по посадкам 2Н5Д и 2Н5С Отраслевой стандарт ОСТ 1 04065–92

Оформите заказ или получите консультацию