ОСТ 1 10513-72 Шайбы запорные

Назначение и область применения

Шайбы запорные по ОСТ 1 10513-72 представляют собой плоские кольца, предназначенные для использования в соединениях с болтами, шпильками (в том числе приваренными стержнями с резьбой) и гайками. Основная функция шайбы – увеличение площади опорной поверхности крепежного элемента, что позволяет:

  • Распределить нагрузку: Равномерное распределение нагрузки предотвращает деформацию соединяемых деталей и снижает риск повреждения материала.
  • Предотвратить самоотвинчивание: Шайба обеспечивает дополнительное трение между гайкой и соединяемой деталью, препятствуя ослаблению соединения под воздействием вибраций и динамических нагрузок.
  • Защитить поверхность: Шайба защищает поверхность соединяемых деталей от повреждений, возникающих при затягивании гайки.

Для повышения надежности соединения, особенно в условиях вибрации, рекомендуется использовать шайбы запорные в сочетании с пружинными шайбами (гроверами).

ОСТ 1 10513-72.pdf

Конструкция и технические характеристики

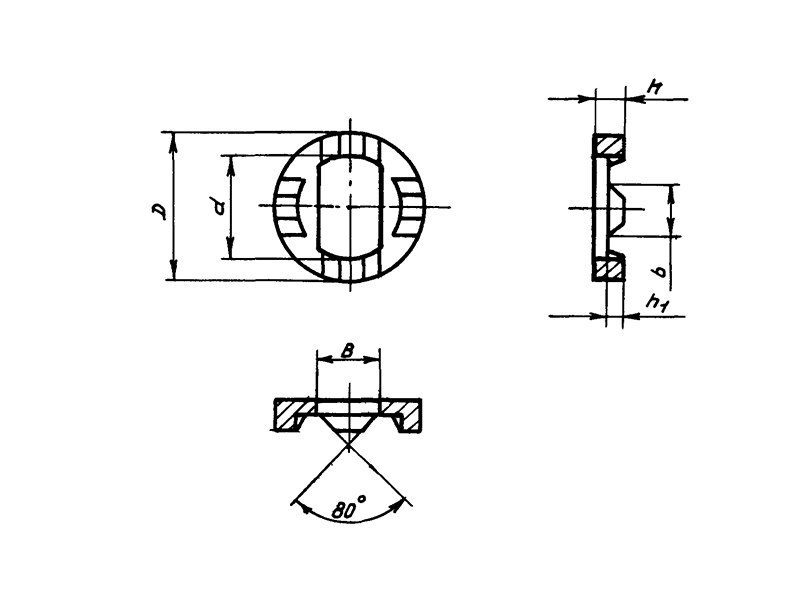
Конструктивно шайба запорная по ОСТ 1 10513-72 представляет собой металлическое кольцо с отверстием, соответствующим диаметру используемого болта или шпильки.

Основные технические характеристики:

  • Материал: Сталь 30ХГСА. Эта сталь обладает высокой прочностью, упругостью и износостойкостью, что обеспечивает надежность и долговечность шайбы в условиях высоких нагрузок и вибраций.
  • Покрытие: Кд15.хр. Данное покрытие представляет собой кадмирование с последующим хроматированием. Кадмирование обеспечивает высокую коррозионную стойкость, защищая сталь от воздействия агрессивных сред. Хроматирование дополнительно повышает коррозионную стойкость и улучшает внешний вид изделия.

Преимущества использования шайб запорных по ОСТ 1 10513-72:

  • Высокая прочность и надежность: Использование стали 30ХГСА обеспечивает высокую прочность и устойчивость к деформациям.
  • Коррозионная стойкость: Покрытие Кд15.хр обеспечивает надежную защиту от коррозии, что позволяет использовать шайбы в различных климатических условиях.
  • Универсальность: Шайбы могут использоваться в различных отраслях промышленности для соединения различных материалов.
  • Соответствие стандарту: Изготовление в соответствии с ОСТ 1 10513-72 гарантирует соответствие шайб установленным требованиям к размерам, материалам и покрытию.

Заключение

Шайбы запорные по ОСТ 1 10513-72 являются важным и надежным элементом крепежа, обеспечивающим прочность и долговечность соединений. Использование высококачественных материалов и защитных покрытий гарантирует их надежную работу в различных условиях эксплуатации. Применение данных шайб позволяет повысить безопасность и надежность конструкций, а также снизить затраты на обслуживание и ремонт.

 

Пример наименования и обозначения запорной шайбы типоразмера1:

Шайба запорная 1-ОСТ 1 10513-72

Шайба запорная
Наименование метиза
1
Типоразмер
ОСТ 1 10513-72
Нормативно-технический документ

ПРИМЕНЕНИЕ

     Данные шайбы используются во многих отраслях промышленности.

АНАЛОГИ

ОСТ/ГОСТНормальНаименованиеТипоразмерНа складе
ОСТ 1 10513-72Шайба запорная1В наличии
ОСТ 1 10513-72Шайба запорная2В наличии
ОСТ 1 10513-72Шайба запорная3В наличии

Для изготовителей и поставщиков: Добавить мои товары в базу

Для покупателей: Подать заявку на покупку

НаименованиеТипоразмерМатериалКоличество, штВес, кг
Шайба запорная ОСТ 1 10513-72
О

ОСТ 1 30055-84 Накатка кольцевая стержней болт-заклепок из титанового сплава

ОСТ 1 31076-80 Маркировка крепежных изделий взамен НОРМАЛЬ 176АТ

ОСТ 1 31076-80: Маркировка крепежных изделий (взамен НОРМАЛЬ 176АТ)

ОСТ 1 38016-80 Футорки

ОСТ 1 38020-82 Втулки

ОСТ 1 39502-77 Стопорение болтов, винтов, шпилек, штифтов и гаек

ОСТ 1 39503-77 Длины болтов и винтов

ОСТ 1 39504-79 Головки шестигранные болтов и винтов

ОСТ 1 41471-79 Формообразование концов труб тяг управления из сплава Д16Т. Типовой технологический процесс

ОСТ 1 51730-79 Оснастка для формообразования концов труб тяг управления из сплава Д16Т

ОСТ 1 51731-79 Оснастка для формообразования концов труб тяг управления из сплава Д16Т

ОСТ 1.41001-79 Диаметры отверстий под нарезание резьбы метрической по нормали 754АТ

ОСТ 1.41002-79 Диаметры стержней под нарезание резьбы метрической по нормали 754АТ и ОСТ 1.00039-73

ОСТ 92-0762-72 Болты, винты из титановых сплавов

ОСТ 92-0912-69 Детали из высокопрочных углеродистых легированных и высоколегированных сталей. ОСТ 92-0912-69

ОСТ 92-1130-85 Детали стальные точные

ОСТ 92-1179-77 Детали и сборочные единицы из сталей марок 07Х16Н6 и 08Х17Н5М3

ОСТ 92-8653-75 по ОСТ 92-8674-75 Соединения трубопроводов по внутреннему конусу

ОСТ 92-8843-77 Крепежные детали повышенного качества

ОСТ-1-33102-80 Взамен нормали 102АТУ Гайки ОСТ-1-33102-80

Отраслевая нормаль 214АТ В замен нормали 214МТ55 метрическая резьбой со свободной посадкой

Отраслевая нормаль 714М55 pdf Кольца плоские ,стопорные технические условия

Отраслевая нормаль авиационной техники 101АТУ Взамен 201СТУ51

Отраслевая нормаль авиационной техники. Нормаль 722АТ.

Р

РЕЗЬБА МЕТРИЧЕСКАЯ

Резьба метрическая усиленная тугой посадкой сталь в алюминиевые и магниевые сплавы. Нормаль 254АТ взамен нормальный 154МТ46

Резьба метрическая. Основные размеры и допуски. Отраслевая нормаль 257АТ взамен 57АТ50 взамен 153МТ54.

РЕЗЬБА ТРАПЕЦЕИДАЛЬНАЯ

РЕЗЬБА ТРУБНАЯ ЦИЛИНДРИЧЕСКАЯ

РЕЗЬБА УПОРНАЯ

Резьба усиленная метрическая тугой посадкой сталь сталь система вала настоящая норма распространяется на резьбу усиленную метрическую тугой посадкой для сопрягаемых материалов сталь в сталь. Нормаль 122МТ53 взамен нормали 122МТ51

Резьба усиленная метрическая тугой посадкой сталь сталь система вала настоящая норма распространяется на резьбу усиленную метрическую тугой посадкой для сопрягаемых материалов сталь в сталь. Нормаль 122МТ53 взамен нормали 122МТ51

Резьбовые соединения. Резьба метрическая с натягом по посадкам 2Н5Д и 2Н5С Отраслевой стандарт ОСТ 1 04065–92

Оформите заказ или получите консультацию